重庆忠州宴婚礼艺术中心改扩建方案设计公示
申请单位:忠县忠义大酒店有限公司、重庆中博置业有限公司
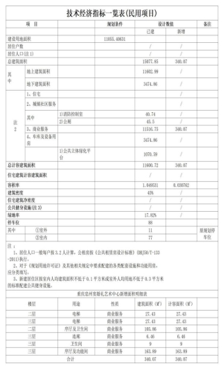
扩建原因:因后期装修使用要求对原来建筑屋面进行局部扩建调整。
扩建内容:二层外廊增设电梯、局部上人屋面挑檐扩建;三层外廊增设电梯、局部上人屋面扩建;扩建面积340.07平方米。
编制单位:重庆市金创建筑勘察设计有限公司
公示单位:忠县规划和自然资源局
公示地点: 1.伟德足球软件下载官网网;2.忠县规划和自然资源局;3.项目所在地;4.忠州广场;5.北山广场;6、忠州之家
公示时间:2025年7月11日——2025年7月17日
意见反馈:1.若您需对该方案设计发表意见或有其他意见,应在意见反馈期限届满前向忠县规划和自然资源局提交书面意见,同时提供身份证明材料、联系方式。书面意见可当面提交,也可通过邮寄方式提交。邮寄方式提交的,请在信封正面注明“公示反馈意见”字样,提交时间以邮局收件邮戳载明的时间为准。2.若您认为是该方案设计的利害关系人,在提交书面意见时,还应提供该方案设计直接涉及您利益的证明材料。3.意见反馈期限截至公示期满后5个工作日内,规定期限内未反馈意见的,视为放弃权力。4.相关利害关系人可自公示期满之日起5个工作日内,向忠县规划和自然资源局提出书面听证申请,并提交身份证明材料,直接涉及您利益的证明材料。逾期未提出的,视为自动放弃听证权力。
书面意见反馈地址:忠县忠州街道政务服务中心2号楼2210 忠县规划和自然资源局 收 联系电话:023-54232895
附 件:1.调整前总平面图; 2.调整后总平面图; 3.调整前鸟瞰图; 4.调整前鸟瞰图; 5.经济技术指标一览表;6、公示申请。
忠县规划和自然资源局
2025年7月8日
1、调整前总平面图




5、.技术经济指标一览表

6、公示申请



